089 494 1256
02 932 1711-3
Search
Search
First Page
Product
Contact Us
ดัชนีค้นหา
Download Brochure/Catalog
ร้องเรียน/เสนอแนะการบริการ
Product Category
1
Temperature sensors
2
Humidity sensor
3
Infrared sensors
4
Multiplexer
5
UTI interface
6
Pressure sensor
Hybrid types - SPD102DAhyb + more
DIL type small/wide body
Through hole Single in line type
SMD / SOT types
TO05 types
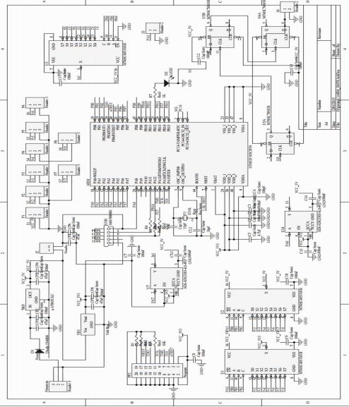
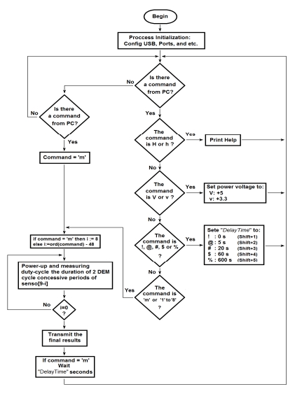
SMTAS08usbmini - Multiplexer
Datasheet
SMTAS08USBmini.pdf